微信扫描二维码,即可将本页分享到“朋友圈”中。

2026-04-29 来源:文景能源 浏览数:59
上海文景能源科技有限公司SF210燃料电池系统近日,文景能源自主研发的SF210大功率燃料电池系统正式启航,成功交付海外客户。这不
上海文景能源科技有限公司
SF210燃料电池系统

近日,文景能源自主研发的SF210大功率燃料电池系统正式启航,成功交付海外客户。这不仅是文景能源国际化战略的重要里程碑,更是中国燃料电池技术走向世界的有力证明。
本次交付的SF210燃料电池系统,是文景能源倾力打造的旗舰级产品,凝聚了公司在氢能领域多年的技术积累与创新突破。

中国及海外应用场景

根据国家工业和信息化部、财政部、国家发展改革委联合印发的《关于开展氢能综合应用试点工作的通知》,国家明确鼓励形成 “1个燃料电池汽车通用场景+N个工业领域应用场景+X个创新应用场景” 的氢能综合应用生态。
SF210燃料电池系统作为文景能源的核心产品,具备覆盖多元应用场景的强大适应能力:
“1” —— 燃料电池汽车通用场景:重点推动中重型、中远途运输和冷链物流等商用车规模化应用,同时覆盖其他乘用车应用。
“N” —— 工业领域应用场景:涵盖绿色氨醇、氢基化工原料替代、氢冶金、掺氢燃烧四大工业方向。
“X” —— 创新应用场景:持续探索氢能多元化创新应用。
凭借SF210系列产品的卓越性能与高度模块化设计,文景能源可为全球客户提供“高可靠、低氢耗、易扩展”的氢能解决方案,助力实现绿色低碳转型目标。
产品优势
澎湃动力,高效输出
SF210展现出大功率输出的强劲实力,额定功率达212kW,峰值功率可达223kW,可充分满足重型商用车、物流车及特种车辆对高功率、快速响应的严苛需求。系统具备快速响应能力,常温启动仅需5秒,为车辆提供足够的加速能力及高速行驶体验。
极致效率,经济节能
系统最高发电效率可达61.3%,额定点效率为44.9%,在保证动力的同时大幅降低氢耗,为客户创造更高的运营经济性。
超强适应,无惧挑战
SF210具备极强的环境适应性,可在-35℃至45℃的环境温度及2000米高原环境下持续高功率输出。真正做到严寒高原、无畏前行。
高耐久性,可靠耐用
系统核心部件电堆寿命长达20000小时,满足长期高强度运营需求。同时,系统及零部件(不含低压保险丝盒)满足IP67高防护等级,不惧整车恶劣环境侵扰。
智能维运,远程诊断
系统标配T-BOX,动力系统数据可远程获取,工程售后专业人员可随时响应客户应急需求,实现远程诊断与智能运维。
技术底蕴
交大基因,
产学研深度融合
文景能源的研发实力,根植于上海交通大学燃料电池研究所二十余年的深厚积累。公司核心团队源自交大,传承了交大在电化学、材料科学、系统控制等领域的顶尖技术与工程化经验。
依托交大雄厚的科研平台,交大系各公司在催化剂、膜电极、双极板、电堆及系统集成等全技术链条上持续突破,形成了从基础研究到产业应用的完整闭环。此次SF210的成功出海,正是产学研深度融合结出的硕果。

品质保证
科创平台赋能,
上海汽车检验加持
文景能源始终坚持“质量为本”的理念。SF210燃料电池系统严格遵循GB/T 24549、GB/T 24554、GB/T 33978等国家标准进行设计与验证。
在产品开发过程中,公司依托上海优质的科创平台资源,联合权威检测机构——上海汽车检验机构等第三方合作伙伴,对SF210进行了全方位的性能测试、环境适应性测试、EMC/EMI测试及安全验证。系统的绝缘电阻在1000V DC下正负极对地之间>5MΩ,满足GB/T 24549安全要求,EMC/EMI性能符合GB/T 17619及GB/T 18655法规要求,确保产品符合国际标准与海外市场准入要求。


研发实力:从设计到交付,全流程可控
机械集成
SF210采用模块化设计理念,系统总体尺寸仅1154×732×871mm,结构紧凑,空间利用率高。机械接口涵盖氢气入口、空气入口、冷却水进出口等14个关键接口,布局清晰,便于整车集成。

电气集成
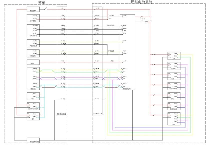
系统低压供电为24V,高压供电范围为450-750VDC,具备完善的上下电逻辑与CAN网络拓扑(3路CAN通讯,支持250kbps/500kbps可调波特率),通讯高效稳定。

安全设计
系统围绕高温高压气体安全、高压电安全、氢气安全、碰撞安全、化学物质安全等八大维度进行全方位防护。内置氢浓度传感器,实时监测泄漏风险;整车集成商可配置碰撞传感器,实现紧急切断氢气与高压电的联动保护。

故障诊断

系统定义四级故障等级,从报警提示到紧急停机分级处理,故障码可通过CAN网络实时读取或诊断仪历史追溯,保障运行安全可控。
展望未来:深耕氢能,助力全球零碳转型

版权与免责声明:
凡注明稿件来源的内容均为转载稿或由企业用户注册发布,本网转载出于传递更多信息的目的,如转载稿涉及版权问题,请作者联系我们,同时对于用户评论等信息,本网并不意味着赞同其观点或证实其内容的真实性;
本文地址:http://www.h2fc.net/Technology/show-4508.html
转载本站原创文章请注明来源:中国氢能与燃料电池网
氢能与燃料电池产业
微信扫描关注